首页
关于长晶
发展历程
企业介绍
加入长晶
新闻中心
产品中心
安博在线登录官网
三极管
MOSFET
IC产品
IGBT
IPM
第三代半导体
汽车电子
其他
应用领域
质量体系
质量方针
体系证书
环境物质检测报告
安博(中国)
EN
EN
首页
>>
产品中心
>>
MOSFET
>>
SGT MOS
>>
搜索
SGT MOS
Part Number
Download
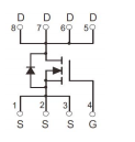
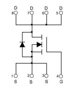
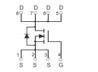
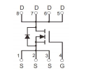
Circuit
Status
Type
Process
ESD
Yes/No
VDS
V
VGS
V
ID
A
VGS(TH)
V
RDS(mΩ)@VGS
10V Typ
RDS(mΩ)@VGS
10V Max
RDS(mΩ)@VGS
4.5V Typ
RDS(mΩ)@VGS
4.5V Max
Package
Reset
Reset All
Active
OK
Reset
Single-N
Single-P
OK
Reset
SGT
OK
Reset
No
Yes
OK
Reset
OK
Reset
+20 /-12
+20/-12
±20
±20V
OK
Reset
OK
Reset
-1.0~-2.5
1.2~2.5
1.3~2.3
1.3~2.5
1.4~2.4
1.4~2.5
1.4~2.4
1.5~2.5
1~2
1~2.5
1~3
1~2.5
2.4~3.8
2~4
2~4
OK
Reset
OK
Reset
OK
Reset
OK
Reset
OK
Reset
DFNWB3x3-8L
PDFNWB3.3x3.3-8L
PDFNWB5x6-8L
PDFNWB5x6-8L-F
SOP8
SOT-89-3L
TO-220-3L-C
TO-220F
TO-251S
TO-252-2L
TO-263-2L
OK
Reset
CJAC3R6SN10AH
Active
Single-N
SGT
No
100
±20
180
2.4~3.8
3
3.6
PDFNWB5x6-8L-F
CJA10P06MX
Active
Single-P
SGT
Yes
-60
±20
-10
-1.0~-2.5
58
75
75
110
SOT-89-3L
CJQ014SN06AL
Active
Single-N
SGT
No
60
±20
12
1.3~2.5
9.4
11.5
13.3
16.5
SOP8
CJAC5R0SN06AL
Active
Single-N
SGT
No
60
±20
98
1.3~2.3
3.8
5
5.2
7.6
PDFNWB5x6-8L
CJAC6R0SN10AL
Active
Single-N
SGT
No
100
±20
95
1.4~2.4
4.6
6
6.5
8.6
PDFNWB5x6-8L
CJAC75SN10L
Active
Single-N
SGT
No
100
±20
75
1.4~2.5
9.4
12
12.4
16
PDFNWB5x6-8L
CJQ9R9SN065AL
Active
Single-N
SGT
No
65
±20
11
1.3~2.5
7.5
9.9
9.7
15
SOP8
CJQ10SN15S
Active
Single-N
SGT
No
150
±20
10
2~4
40
52
-
-
SOP8
CJAB30SN10H
Active
Single-N
SGT
No
100
±20
30
2~4
14
17.5
-
-
PDFNWB3.3x3.3-8L
CJD65SN10H
Active
Single-N
SGT
No
100
±20
65
2~4
11
13.6
-
-
TO-251S
CJAE9R0SN06AL
Active
Single-N
SGT
No
60
±20
50
1.3~2.5
7
9
10
13
DFNWB3x3-8L
CJB120SN08H
Active
Single-N
SGT
No
85
±20
120
2~4
5.1
6.1
-
-
TO-263-2L
CJP180SN10
Active
Single-N
SGT
No
100
±20
180
2~4
2.5
3
-
-
TO-220-3L-C
CJP150SN10
Active
Single-N
SGT
No
100
±20
150
1.5~2.5
3.2
3.9
4.5
6.5
TO-220-3L-C
CJAC50SN03
Active
Single-N
SGT
No
30
±20
50
1~2.5
3.8
4.95
5.5
7.2
PDFNWB5x6-8L
CJAC40SN10L
Active
Single-N
SGT
No
100
±20
40
1.4~2.4
13
16
18
25
PDFNWB5x6-8L
CJB3R0SN10B
Active
Single-N
SGT
No
100
±20
180
2~4
2.5
3
-
-
TO-263-2L
CJB3R9SN10B
Active
Single-N
SGT
No
100
±20
150
1.5~2.5
3.3
3.9
4.5
6.5
TO-263-2L
CJAC2R5SN04C
Active
Single-N
SGT
No
40
±20
130
1~2.5
2
2.5
3
4.5
PDFNWB5x6-8L
CJAB3R9SN04C
Active
Single-N
SGT
No
40
±20
70
1~2.5
3
3.9
4.3
6.5
PDFNWB3.3x3.3-8L
«
1
2
3
»
导出Excel
星空官方网站
|
FH在线平台(中国)官网
|
开元网站登录入口
|
足球网
|
米兰体育官网登录入口(中国)有限公司
|
FH网页版登录入口
|
MK体育·(国际)官方网站
|
米兰app官网入口
|
乐竞官网
|